White paper: De veelzijdigheid van verende drukstukken
Verende drukpinnen zijn zeer veelzijdige componenten. De naam “verende” drukpin wordt herleid uit de werking.Wanneer de drukkracht van buitenaf hoger is dan de veerkracht, dan zal de kogel of drukpin terug naar binnen veren. Dit zorgt voor de fixerende of blokkerende werking. Drukstukken verhogen het gebruikscomfort en worden in verschillende toepassingen ingezet waaronder:
1. Positiecontrole en fixering
Bij hendels, hefbomen en draaiknoppen wordt de gewenste stand bepaald door de fixerende werking van het verende drukstuk. Tijdens het bedienen “klikt” de drukpin of de kogel van het drukstuk in de uitsparing en fixeert zich. De klik geeft de gebruiker feedback of de knop, hendel of hefboom in de juiste positie staat.
2. Hoogte- / lengteverstelling en vergrendeling
Hoogte- en lengteverstelling wordt veel uitgevoerd met een verend drukstuk. Bij het in hoogte verstellen van een hoofdsteun, wordt een zuil met vooraf gedefinieerde uitsparingen langs de drukkogel geschoven. Op dezelfde manier kan ook de positie van een klep worden bepaald.
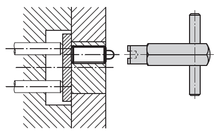
3. Als aanslag, inklemmen en wegdrukken van een product
De verende eigenschap van het drukstuk, maakt het uitermate geschikt voor het inklemmen en wegdrukken van producten. In processen waarbij plaatmateriaal wordt verbogen met behulp van
een matrijs, kunnen drukstukken gebruikt worden om de gebogen platen uit de matrijs te drukken.
Of bijvoorbeeld het inklemmen van werkstukken op veerkracht voor lichte bewerkingen.
De verende drukpin duwt het plaatmateriaal na de bewerking uit de matrijs
Drukpin vs kogel
Het verschil tussen het gebruik van een drukpin versus een kogel, heeft te maken met de vorm. Bovenop is de drukpin bol en verder cilindervormig. Door de cilindervorm kan de drukpin meer afschuifkracht hebben dan de kogel, wat leidt tot een beter blokkerende werking. Door de drukpin in te drukken is de blokkeringen op te heffen. De kogel is geheel bolvormig en heeft daardoor een beperkte afschuifkracht. De sterkte van de veer en de vorm van de uitsparing in het tegendeel bepalen hoeveel afschuifkracht er nodig is om de fixering van de kogel op te heffen (zie afbeelding hieronder). Zowel de kogel als de drukpin zijn gehard om slijtage te voorkomen.
Montage
Drukstukken zijn afhankelijk van de toepassing op verschillende manieren te monteren. De druk-stukken met een gladde huls kunnen in een gat worden geperst of met de hand gedrukt. Daarnaast is er ook de mogelijkheid om de gladde uitvoering te omspuiten tijdens het spuitgietproces. Een drukstuk met draadhuls is middels een platte schroevendraaier of inbussleutel in een bedraad gat te draaien. Voor blinde gaten zijn er drukstukken die middels een speciale montagesleutel ingedraaid kunnen worden. Tegen loskomen of trillen zijn de drukstukken eventueel met moeren vast te zetten. Er zijn echter ook drukstukken met schroefdraadborging (Long-Lok) waarbij extra moeren tegen loskomen of trillen overbodig zijn.
Met de speciale montagesleutel kan het drukstuk in een blind gat gedraaid worden.





